Всем Доброго времени суток!
Появилась задача подключить USB порт для зарядки смартфона.
Пересмотрел и перечитал разные способы подключения от "просто кинуть + на клему аккумулятора" до "через выключатель, предохранитель во влагозащищённом держателе и запитать после зажигания".
В принципе, с починкой бытовой электрики дружен, но в мотоциклы лазить не приходилось.
Знает ли кто-нибудь, какую дополнительную нагрузку допустимо подключать к сети нашего мотоцикла?
И как лучше, а точнее грамотно подключить USB? А впоследствии и дополнительные светодиодные фары.
В большинстве источников пишут о мотоциклах с лампами накаливания в стоке и как с переходом на светодиоды выгодать немного мощности на доп. оборудование. Но в нашем то уже всё на светодиодах, может и нету в нём запаса?
Электрическая сеть Dominar и подключение доп. оборудования
Чем проще тем надёжнее,аккум предохранитель и разведёш на все допы,в проводку цепляться тогда через реле,а силовой всё равно с аккума придётся брать,зачем эти сложности.
- KAM
- Бывалый

- Сообщения: 58
- Зарегистрирован: 19 апр 2019, 14:16
- Откуда: Москва
- Мотоцикл: Bajaj Dominar 400
А нужен ли силовой? Уточню задачу. Есть кронштейн для телефона. В нём установлен USB порт с понижающей платой, с 12V на 5V 2А. Подключать планирую после зажигания. Возможно, к габаритам. Чтобы не врезаться и не портить штатную проводку хочу применить тройник на штекере подключения габаритов.
Вопрос 1 - Выдержит ли проводка и предохранитель габаритов? Пока ничего не разбирал. Поэтому не знаю сечения провода и потребления габаритов.
Вопрос 2 - на сколько ампер нужен предохранитель между проводкой габаритов и девайсом? Не знаю сколько А он берёт на входе с 12V.
Вопрос 3 - нагрузку на сколько ватт можно подключать к бортовой сети, чтобы не оставить аккумулятор без зарядки?
Нужен ответ электрика)
Вопрос 1 - Выдержит ли проводка и предохранитель габаритов? Пока ничего не разбирал. Поэтому не знаю сечения провода и потребления габаритов.
Вопрос 2 - на сколько ампер нужен предохранитель между проводкой габаритов и девайсом? Не знаю сколько А он берёт на входе с 12V.
Вопрос 3 - нагрузку на сколько ватт можно подключать к бортовой сети, чтобы не оставить аккумулятор без зарядки?
Нужен ответ электрика)
- KAM
- Бывалый

- Сообщения: 58
- Зарегистрирован: 19 апр 2019, 14:16
- Откуда: Москва
- Мотоцикл: Bajaj Dominar 400
Выяснил кое-что. Если на выходе 5Вх2А=10Вт, то на входе 10Вт/12В=0,83А. Гениально!)
Значит, необходимая площадь поперечного сечения провода =0,83/10=0,083 мм2.
Соответственно диаметр такого провода =√(0,083/π)*2=0,33 мм.
Разряженный (мой) телефон потребляет около 1,5А. А в режиме подзарядки при уровне 80-90%, до 1А.
Думаю, проводка габаритов справится с такой нагрузкой)
Но есть ещё вопрос - на габариты стоит свой отдельный предохранитель или общий на весь головной свет?
Эх, найти бы спецификацию к Доминару или другую тех. документацию, чтоб знать, где какие диоды, где какие предохранители и т.д.
Похоже, нужны друзья в оф. сервисе...))
Значит, необходимая площадь поперечного сечения провода =0,83/10=0,083 мм2.
Соответственно диаметр такого провода =√(0,083/π)*2=0,33 мм.
Разряженный (мой) телефон потребляет около 1,5А. А в режиме подзарядки при уровне 80-90%, до 1А.
Думаю, проводка габаритов справится с такой нагрузкой)
Но есть ещё вопрос - на габариты стоит свой отдельный предохранитель или общий на весь головной свет?
Эх, найти бы спецификацию к Доминару или другую тех. документацию, чтоб знать, где какие диоды, где какие предохранители и т.д.
Похоже, нужны друзья в оф. сервисе...))
- KAM
- Бывалый

- Сообщения: 58
- Зарегистрирован: 19 апр 2019, 14:16
- Откуда: Москва
- Мотоцикл: Bajaj Dominar 400
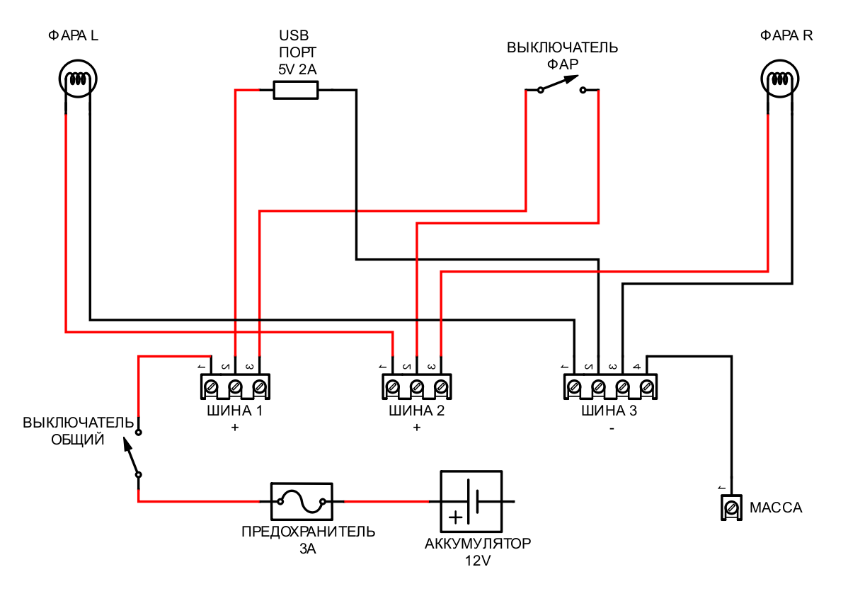
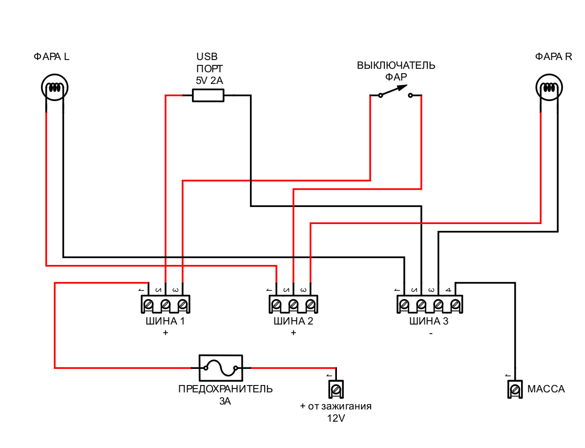
Всем привет!
Противотуманки и USB-разъём подключены!
Пришлось придумать схему подключения, чем и хочу поделиться. Может кому будет полезно)
Схемы две на выбор:
1. С подключением после зажигания. 2. С подключением от аккумулятора. Фото результата: Обилие пластика Доминара позволяет легко запрятать все провода без снятия этого пластика.
А под левой панелькой с надписью "D400" достаточно места, чтобы уложить там шины и провода.
Позже постараюсь пофоткать с нормальным светом.
Противотуманки и USB-разъём подключены!
Пришлось придумать схему подключения, чем и хочу поделиться. Может кому будет полезно)
Схемы две на выбор:
1. С подключением после зажигания. 2. С подключением от аккумулятора. Фото результата: Обилие пластика Доминара позволяет легко запрятать все провода без снятия этого пластика.
А под левой панелькой с надписью "D400" достаточно места, чтобы уложить там шины и провода.
Позже постараюсь пофоткать с нормальным светом.
- KAM
- Бывалый

- Сообщения: 58
- Зарегистрирован: 19 апр 2019, 14:16
- Откуда: Москва
- Мотоцикл: Bajaj Dominar 400
Фары с выключателем с Али
Кронштейн для телефона с USB оттуда же
И держатель предохранителя и сам предохранитель из автомагазина
Предохранители с цветным прозрачным, как стекло пластиковым корпусом лучше не брать (оплавляются).
Лучше с матовым или вообще непрозрачным корпусом. У них есть специальное окошко, чтобы увидеть сгорел или нет.
Предохранитель нужно подбирать в зависимости от потребляемой мощности Вашего доп. оборудования.
И сечение проводов, соответственно, тоже. Выше уже приводил пример расчёта необходимого сечения.
Лучше с матовым или вообще непрозрачным корпусом. У них есть специальное окошко, чтобы увидеть сгорел или нет.
Предохранитель нужно подбирать в зависимости от потребляемой мощности Вашего доп. оборудования.
И сечение проводов, соответственно, тоже. Выше уже приводил пример расчёта необходимого сечения.


